View Images Library Photos and Pictures. Diagram Wiring Diagram Of Dol Starter Full Version Hd Quality Dol Starter Diagramwormt Sistecom It Star Delta Starter Explained In Plain English Electrical4u Star Delta Motor Starter Explained In Details Eep 3 Phase Submersible Pump Wiring Diagram With Dol Starter Eet
. Induction Motor Starting Methods Bright Hub Engineering Direct Online Starter Dol Starter Diagram Full Explained Circuit Diagram Electrical Circuit Diagram Electrical Diagram Direct On Line Starter क य ह 3 Phase Dol Starter Electronic Gyan
Diagram Dol Starter Wiring Diagram With Timer Full Version Hd Quality With Timer Capacitorwiring Biorygen It
Diagram Dol Starter Wiring Diagram With Timer Full Version Hd Quality With Timer Capacitorwiring Biorygen It
Draw The Power And Control Circuit Diagram For Forward Stop Reverse Type Dol Starter For 3 Phase Induction Motor Questions Answers
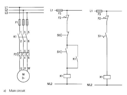
Dol Starter Power Wiring Diagram
Diagram Single Line Diagram Symbols Motor Starter Circuit Full Version Hd Quality Starter Circuit Diagramjaniex Caladeinormanni It
Dol Starter Panel Wiring Diagram Save Start Stop And Motor Electrical Circuit Diagram Circuit Diagram Electric Circuit
What Is Dol Starter Direct Online Starter Wiring And Working
Diagram Wiring Diagram For Dol Starter Full Version Hd Quality Dol Starter Pdfxsabar Eventinotte It
Dol Starter Power Wiring Diagram क ज नक र ह द म Youtube
Direct On Line Starter Wiring Diagram How To Connect A Direct On Line Starter
Troubleshooting Control Circuits Basic Control Circuits Electric Equipment
Dol Starter Control And Power Wiring Diagram Dol Starter Connection In Hindi Yk Electrical Youtube
Troubleshooting Three Basic Hardwired Control Circuits Used In Starting Electric Motor Eep
What Is Dol Starter Direct Online Starter Wiring And Working
Diagram Wiring Diagram Of Dol Starter Full Version Hd Quality Dol Starter Diagramwormt Sistecom It
Electrical Motor Starter Circuits Instrumentation Tools
Diagram Wiring Diagram Panel Dol Full Version Hd Quality Panel Dol Nsdiagramkn Discountdellapiastrella It
Dol Starter Wiring Diagram Starting Characteristics On Gmc Sierra Speedometer Fuse Box For Wiring Diagram Schematics
What Is Direct Online Starter Working Principle And Wiring Diagram Its Application Electrical Technology4u
Direct Online Starter Working Principle And Its Applications
Construction And Operation Of Direct Online Starter Circuit
Diagram 3 Phase Starter Diagram Full Version Hd Quality Starter Diagram Pdfxtaiu Campionatiscipc2020 It
Dol Starter Control Wiring Diagram Pdf Ciao Wiring Diagram Detroit Burbs Begeboy Wiring Diagram Source
Explained Star Delta Starter Diagram Control And Power Circuit Etechnog
Three Phase Dol Starter Control Overload Indicator Power Wiring Diagram Youtube
Diagram Dual Motor Starter Wiring Diagram Full Version Hd Quality Wiring Diagram Pdfxweberc Campionatiscipc2020 It

Komentar
Posting Komentar